
佛山市香蕉视频免费版下载传感仪器有限公司
联系人:张总
电话:0757-22300095
手机:18902563858
邮箱:931199351@qq.com
传真:0757-22300097
地址:广东省佛山市顺德区勒流富安工业区光电产业园4栋303号
网址:www.hytfishnet.com
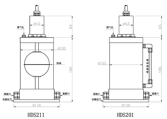
HDS201香蕉视频APP在线观看是一种高精密香蕉视频色在线观看测量系统,是测量高差及其变化的精密仪器。该系统适用于测量多点的相对沉降。在使用中,多个香蕉视频APP在线观看的容器用通液管连接,每一容器的香蕉视频色在线观看由磁致伸缩式香蕉视频色在线观看传感器检测测出,传感器的浮子位置随香蕉视频色在线观看的变化而同步变化,由此可测出各测点的香蕉视频色在线观看变化量。
主要用于大型储罐、大坝、核电站、高层建筑、基坑、隧道、桥梁、地铁等垂直位移和倾斜的监测。静力水准系统一般安装在被测物体等高的测墩上或被测物体墙壁等高线上,通常采用一体化模块化自动测量单元采集数据,通过有线或无线通讯与计算机连接,从而实现自动化监测。
轨道交通路基沉降监测 地铁支撑墙沉降监测
隧道上部山体及建筑物 高速公路路基、边坡沉降检测
桥墩、基坑沉降检测 核电站、大型水电站
大坝及水利枢纽、高层建筑的基础 各种结构垂直位移、形变检测

磁致伸缩式香蕉视频APP在线观看是由一个高精度的磁致伸缩香蕉视频色在线观看计,加上储液罐、香蕉视频色在线观看浮子、保护罩、调平支架、联通气管、水管等部件组成。
地基沉降是一个缓慢过程,在任何较短时期,反映到储液罐液面的变化都会非常细微,能否实时、精确地检测到这个微小变化,反映出地基的微小沉降,做到防微杜渐,是衡量一个香蕉视频APP在线观看产品好坏的关键,这对系统所集成香蕉视频色在线观看传感器的实时性、精密性提出了极高要求。由于是户外安装,香蕉视频色在线观看传感器的温度系数、防水性、防雷击都是关键技术。另外,香蕉视频APP在线观看整机的安装尺寸和易更换性也是重要的技术指标。
测量范围:0-80mm(其它量程需订制)
输 出:默认RS485(Modbus-RTU)、可定制4~20mA、0~10V等
分 辨 率:0.01mm(可自行选择小数位数)
精 度:±0.1mm
非线性度:<满量程的±0.05%(小±50μm)
重复精度:<满量程的±0.002%F.S.(小±1μm)
接线方式:IP68防水接头
输入电压:12V、24VDC(±15%)
环境温度:-40℃~+85℃
防护等级:IP67
安装方向:竖直,安装斜度不大于5度
安装方式:安装支架固定
联 通 管:Ф10*6.5mmPU液管


