• 香蕉视频APP在线观看,香蕉视频免费版下载,香蕉视频成人在线,香蕉视频色在线观看

    欢迎访问佛山市香蕉视频免费版下载传感仪器有限公司官网!

    解决方案

    产品分类

    联系香蕉视频APP在线观看

    佛山市香蕉视频免费版下载传感仪器有限公司

    联系人:张总

    电话:0757-22300095

    手机:18902563858

    邮箱:931199351@qq.com

    传真:0757-22300097

    地址:广东省佛山市顺德区勒流富安工业区光电产业园4栋303号

    网址:www.hytfishnet.com


    广州HDW202轮辐式称重测力传感器

    您的当前位置: 首 页 >> 产品中心 >> 广州称重测力传感器

    广州HDW202轮辐式称重测力传感器

    • 所属分类:广州称重测力传感器

    • 品牌:香蕉视频免费版下载
    • 点击次数:
    • 发布日期:2023/01/11
    • 在线询价
    • 详细介绍

    高度低、钢性好,精度高,抗偏载能力强
    适用于皮带秤、料斗秤、仓储秤、料罐、材料力学试验机、劳保安全检测设备
    可选择一体化标准信号输出,或配变送器输出三线制0~10mA、4~20mA或0~5V输出等
    ◆防护等级IP67
    ◆适用于吊钩秤、机改秤、料斗秤、
    钢轨机测力变送器
    等各类电子称重设备。
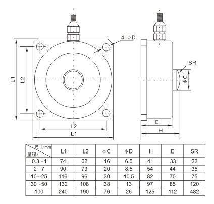
    ◆量程:0.3,0.5,1,2,3,5,10,20,30,50,100t


    【主要技术参数】:

     额定载荷

     0.3100t间可选

     综合精度

     0.03 0.05(线性+滞后+重复性)

     灵敏度

     2.0 mV/V

     蠕变

     ±0.03 %F·S/30min

     零点输出

     ±1 %F·S

     零点温度影响

     ±0.03 %F·S/10

     输出温度影响

     ±0.03 %F·S/10

     工作温度

     -20℃~+65

     输入阻抗

     380±10 Ω  750±15 Ω

     输出阻抗

     350±3 Ω  700±5 Ω

     绝缘电阻

     >5000 

     安全过载

     150 F·S

     供桥电压

     建议10VDC

     材质

     合金钢或不锈钢

     接线方式

     

     输入(+):红线  输入(-):黑线

     输出(+):绿线  输出(-):白线


    【轮辐式称重传感器尺寸图】:


     钢轨机测力变送器

     

    本文网址:http://www.hytfishnet.com/product/707.html

    关键词:钢轨机测力变送器定制,钢轨机测力变送器供应商,钢轨机测力变送器多少钱

    最近浏览:

    相关产品:

    相关新闻:

    欢迎给香蕉视频APP在线观看留言
    请在此输入留言内容,香蕉视频APP在线观看会尽快与您联系。
    姓名
    联系人
    电话
    座机/手机号码
    邮箱
    邮箱
    地址
    地址
    网站地图