• 香蕉视频APP在线观看,香蕉视频免费版下载,香蕉视频成人在线,香蕉视频色在线观看

    欢迎访问佛山市香蕉视频免费版下载传感仪器有限公司官网!

    解决方案

    产品分类

    联系香蕉视频APP在线观看

    佛山市香蕉视频免费版下载传感仪器有限公司

    联系人:张总

    电话:0757-22300095

    手机:18902563858

    邮箱:931199351@qq.com

    传真:0757-22300097

    地址:广东省佛山市顺德区勒流富安工业区光电产业园4栋303号

    网址:www.hytfishnet.com


    上海制冷剂专用磁致伸缩香蕉视频色在线观看传感器

    上海制冷剂专用磁致伸缩香蕉视频色在线观看传感器

    • 所属分类:上海香蕉视频色在线观看变送器

    • 点击次数:
    • 发布日期:2022/11/15
    • 在线询价
    • 详细介绍

    【产品介绍】:

       HDM-FL制冷剂专用磁致伸缩香蕉视频色在线观看传感器采用磁致伸缩原理制造的高精度、长量程线性、绝对位置测量的香蕉视频色在线观看传感器,可以精确测量容罐液面的位置。供电方式灵活,接线方法多种且极为方便,可满足各种测量、控制、检测的要求;采用非接触测量方式,解决了因磨擦、磨损等造成的使用寿命低的问题。该传感器性能高,寿命长,有良好的环境适应性、可靠性和稳定性,安装简单,为用户使用带来极大的方便。


    【系列用途】:

    主要应用于制冷剂设备香蕉视频色在线观看测量

    基站柴油发电机油箱香蕉视频色在线观看检测

    加油站储罐油位检测

    化工原料香蕉视频色在线观看检测

    高精度容罐的液体香蕉视频色在线观看控制


    【产品特点】:

    ◆稳定性能好,精度够高,该专用产品的精度达0.1%F.S.,完全满足客户1~2mm的精度要求;

    ◆能配合客户系统设备即时地反映油箱内香蕉视频色在线观看变化的情况,解决客户Z关心的需求点;

    ◆能即时地根据客户对死区的要求作出控制方案,赢得客户对公司跟踪服务的认同;

    ◆安装方便,油箱生产时只需根据法兰指定尺寸开孔,磁尺配带法兰盖固定在油箱孔即可;

    ◆磁尺产品配带可调节装置,对规格不一的油箱可进行上下微调,规范产品量程


    【应用概述】:

    HDM-FL制冷剂专用磁致伸缩香蕉视频色在线观看传感器采用磁致伸缩原理,非接触式结构,具有使用寿命长,精度高、重复性好等测量优点。


    【主要技术参数】:

    测量对象: 制冷剂

    供电电源: +24VDC±10%;±15VDC±10%
    输出方式: 0~5VDC、0~10VDC、-5~+5VDC、-10~+10VDC、4~20mADC、ModBus等
    有效量程范围: 50~1000mm(可根据客户特殊要求订做)  
    负载特性: 电流信号输出Z大负载电阻为 600Ω;电压信号输出Z大负载电流为 2mA

    工作电流: <70mA

    工作温度:  -40~+85℃

    储存温度:  -40~+100℃

    非线性误差:  <±0.05%F.S.(300mm以下Z大误差150um)

    复性误差:  <±0.002% F.S.

    分辨率:  采用 16bitD/A 转换、4μm

    迟滞:  <±0.002% F.S.

    温度影响: <±0.007%F.S./℃

    零点可调范围:  100%F.S.

    满度可调范围:  100%F.S.

    测杆材质:  0Cr18Ni9(304)、316不锈钢(特殊定制) 

    电子仓外壳材质:  0Cr18Ni9(304)      

    连接形式:  螺纹连接、法兰连接等      

    出线方式:  直出电缆线、航空插头、接线端子 
    外壳防护等级:  电子仓IP65、测杆IP68 
    耐压:  2.5MPa


    【产品选型】

    (略)


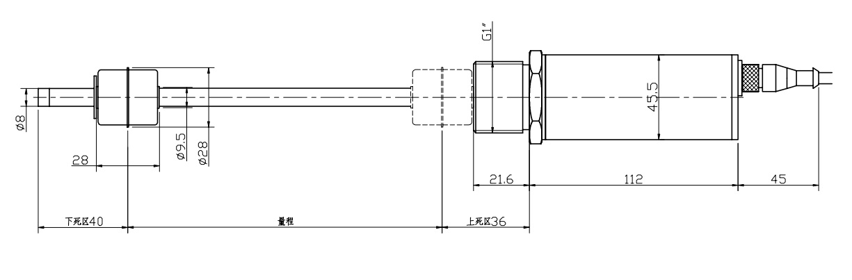
    【产品尺寸】:

    单位:mm

    制冷剂香蕉视频色在线观看传感器尺寸

    本文网址:http://www.hytfishnet.com/product/754.html

    关键词:制冷剂专用磁致伸缩香蕉视频色在线观看传感器,磁致伸缩香蕉视频色在线观看传感器,制冷剂香蕉视频色在线观看传感器

    最近浏览:

    欢迎给香蕉视频APP在线观看留言
    请在此输入留言内容,香蕉视频APP在线观看会尽快与您联系。
    姓名
    联系人
    电话
    座机/手机号码
    邮箱
    邮箱
    地址
    地址
    网站地图